Welcome to HUAI I
Feature
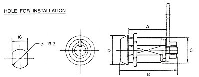
- 28mm cam lock with 2 keys
- Chrome plated, Zinc alloy body
- 7-pin tumbler
- 2 tubular keys and 1 nut furnished
- Available with different KEY combinations
- Normally for 90° turn, key withdrawal only in locked position or both positions
- Available with different CAM configurations



